FC-MiniONE Pro六維力傳感器
-
分類:瑞士BOTA System
型號:
品牌:
瀏覽:
專線:400-877-3100
- 立即訂購400-877-3100
-
產品詳情
-
聯(lián)系我們
瑞士BOTA
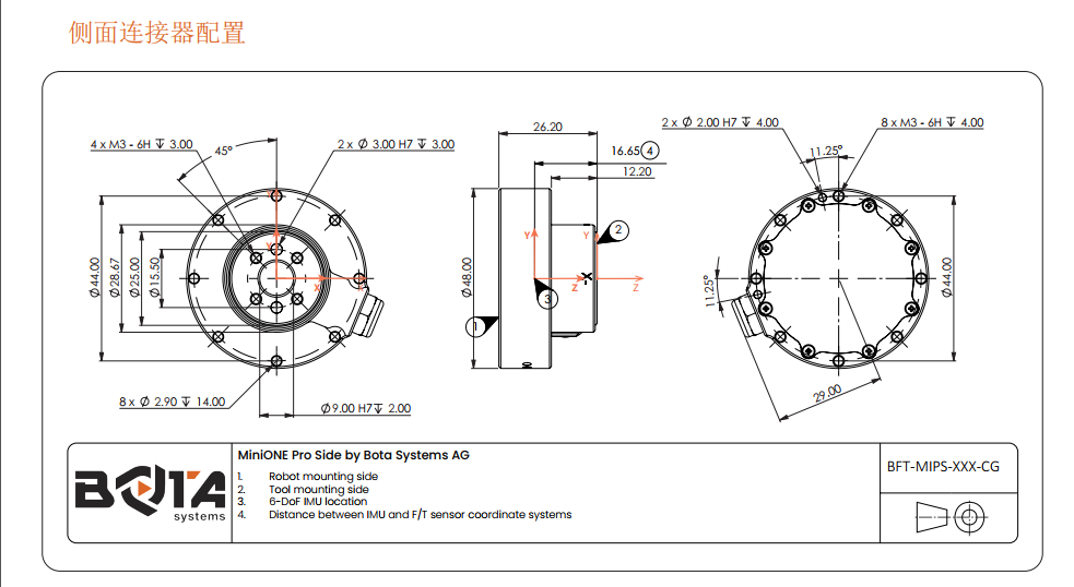
FC-MiniONE Pro六維力傳感器
參數:
量 程(Fx,Fy,Fz,Mxy,Mz,): 50N, 50N, 50N, 1Nm, 1Nm, 1Nm
穩(wěn)定過載(Fxy,Fz,Mxy,Mz,): 100N, 100N, 100N, 100N, 100N, 100N
無 噪 聲分 辨 率 (100Hz): 0.03 N, 0.01N, 0.0004Nm, 0.0001Nm
重 量: 57g(串口);62g((EtherCAT))
尺 寸(DxL) : 48x 26.2mm;
溫 度(℃): 0°C –55°C
通 訊 接 口: (串口)USB,RS422;CANopen over EtherCAT
防 護 等 級: 灰塵和耐水
最 大 頻 率(HZ):800HZ(串口);2000HZ(EtherCAT)
供 電:5 V, 1.0 W(Serial);9–48 V,1.5 W(EtherCAT)
有兩種通訊方式:串口通訊&EtherCAT
六維力傳感器特點:
1、即插即用
2、一體式設計
3、防水防塵
4、溫度漂移可忽略不計
5、2000 Hz 的采用率
6、可使用EtherCAT?, RS422 and USB與ROS?, TwinCAT?, LabVIEW?, MATLAB?兼容
支持 Staubli, UR+?, Mecademic?, Kinova?, KUKA?, and more
過載極限值是用有限元分析方法模擬的。現實生活中的結果可能與模擬結果有偏差。
(無噪音分辨率)是指100赫茲時傳感器信號的(6 )峰-峰噪音分布。
串擾:多軸力矩傳感器中的串擾是指當傳感器只在一個軸上激勵時,其他軸上的測量。串擾被報告為相對于該軸的滿刻度而言,與參考值的百分數偏差。博塔系統(tǒng)根據要求為您的傳感器提供根據 標準測試的串擾證書。下面提供一個示例性的串擾表作為參考。
信號干擾:信號噪聲是指在采集、存儲、傳輸、處理或轉換通信信號時可能出現的任何不必要的修改。 峰-峰噪聲分布的標準偏差的上限在以下表格中報告。
MiniONE Pro瑞士BOTA六維力傳感器機械臂應用于:無人機、嵌入測量、精·密打磨、精·密裝配、協(xié)作設備








滬公網安備 31011402003414號